|
AY SERIES High-Speed Air Cylinders
| |
Lightweight and compact style pneumatic cylinders with closed centers. |
Special Features
- Compact and lightweight design (less mass and moment of inertia)
- Alloy body
- Low maintenance
- Versatile for many workholding applications
Specifications
| Model |
Unit |
AY-1315R |
AY-1720R |
AY-2225R |
| Piston Stroke |
in. |
0.591 |
0.787 |
0.984 |
| Piston Area Pull |
in.2 |
20.3 |
35.1 |
58.5 |
| Piston Area Push |
in.2 |
19.8 |
34.1 |
57.5 |
| Max. Draw Bar Pull Force |
kN (kgf) |
4.8 (489) |
8.2 (836) |
13.9 (1417) |
| Max. Operation Pressure |
psi |
116 |
116 |
116 |
| Max. Speed |
rpm |
5000 |
5000 |
4000 |
| GD 2 |
kg.m 2 |
.010 |
.028 |
.080 |
| Net Weight |
lbs. |
11 |
18 |
21 |
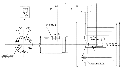
Dimensional Drawing

Dimensions
| Model |
AY-1315R |
AY-1720R |
AY-2225R |
| A |
6.142 |
7.874 |
10.039 |
| B |
5.906 |
7.677 |
9.646 |
| C |
4.724 |
5.512 |
6.693 |
| D |
3.543 |
3.937 |
5.118 |
| E |
2.559 |
3.150 |
4.331 |
| F |
0.787 |
0.984 |
1.181 |
| G |
0.512 |
0.669 |
0.827 |
| K |
5.630 |
6.378 |
6.811 |
| L max. |
1.378 |
2.559 |
2.795 |
| L min. |
0.787 |
1.772 |
1.811 |
| N |
2.480 |
3.228 |
3.661 |
| R |
3.898 |
4.646 |
5.079 |
| S |
1.063 |
1.772 |
1.299 |
| T |
0.079 |
0.197 |
0.197 |
| U |
M12x1.75 |
M16.x2.0 |
M20x2.5 |
| V |
0.866 |
1.181 |
1.378 |
| W |
M6x10 |
M10x16 |
M12x20 |
|