Worldwide Chuck Services, Inc.

 

Chuck Repairs and ServiceWe Sell Lathe Chucks ActuatorsChuck Parts and AccessoriesJaws and Accessories

 
Worldwide Chuck Services is a master distributor of Kitagawa products.

Kitagawa Products Menu

Scroll Chuck
Four-Jaw Independent Chuck
Standard Thru-Hole Chuck
Big Bore High Speed Chuck
Super Big-Bore Power Chuck
Long Stroke Lever Style Chuck
Quick Jaw Change Chuck
Quick Jaw Change Chuck
Counter Balanced Chuck
Closed Center Chuck
Long Stroke Two-Jaw Chuck
Power Wing Chuck
Pull Back Chuck
Three-Jaw Pull Style Chuck
Four-Jaw Self-Centeriing Power Chuck
T-Nut

Two Stage Hydraulic Cylinder

High Speed Wheel Chuck
Self-Contained Air Chuck
Ultra High Precision
Collet
Standard Thru-Hole Cylinder
Big Bore High Speed Cylinder
Hydraulic Cylinder
Closed Center Cylinder
Stationary Air Cylinder
High Speed Air Cylinder
Work Gripper
Soft Jaw
Chuck Adapter
Hard Jaw

 HB SERIES Hard Jaws

  Kitagawa's original equipment offers consistently high quality.

 

JAW NO. Used In Models Used In Models
HB04B1 B-04
HB04C1 N-05
HB04N1 B-204, B-205
HB05B1 B-05
HB06B1 N-06, NL-06 (HJ-6, HJA5-6), AS06 B-06, HOH-06 (HOB-6, HOS-6, HO-6), B-206
HB08A1 N-08, NL-08 (HJ-8, HJA5-8), AS08 B-08, HOH-08 (HOB-8, HOS-8, HO-8), B-208
HB10A1 N-10, NL-10 (HJ-10, HJA5-8-10), AS10 B-10, HOH-10 (HOB-10, HOS-10, HO-10), B-210
HB12B1 N-12, NL-12 (HJA5-8-12, HLAG-12, HLAG-8-15) B-12, HOH-12 (HOB-12, HOS-12, HO-12)
HB12C1 HJ-12 HO-12
HB12N1 B-212
HB15A1 B-15, B-18, HOH-15 (HOB-15, HOB-18, HOS-15, HO-15)
HB15B1 HJA6-15-18-21, HJA11-15 (HLAB-18-21)
HB15N1 N-15, N-18 B-215
HB18B2 HJA11-18-21, HJA15-21, N-21, N-24 B-21, B-24, UVE 500, UVE 630 (HOB-21, HOB-24)
HB24B2 HJA11-15-24 UVE 800
HB05U1 UVE 160
HB08U1 UVE 200, UVE 250
HB12U1 UVE 315
HB15U2 UVE 400
HB20U2 UVE 500, UVE 630 for gripping small diameter parts
HB31U2 UVE 800 for gripping small diameter parts


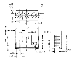
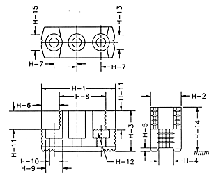
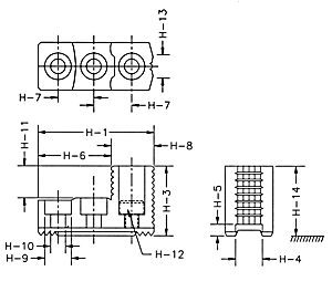
DIMENSIONS (Dimensions in Millimeters)

MODEL H-1 H-2 H-3 H-4 H-5 H-6 H-7 H-8 H-9 H-10 H-11 H-12 H-13 H-14 Serrations Fig.
HB04B1 46 19 23 8 3 15 15 23.5 11 6.6 9 M6 6 1.5x60° 3
HB04N1 53 23 27.5 10 4 30.5 14 22.5 13.5 8.5 10 M8 6 1.5x60° 2
HB05B1 55.5 23 31 10 3 22.5 18 21.5 13.5 8.5 14 M8 6 1.5x60° 3
HB05C1 61 23 30 10 4 7.5 19 53.5 13.5 8.5 12 M8 6 15 1.5x60° 2
HB06B1 67.5 31 35 12 5 13 20 46 17 11 12 M10 16 10 1.5x60° 3
HB08A1 86 35 51 14 5 31 25 18 19 13 12 M12 12 12 1.5x60° 1
HB10A1 99.5 40 54 16 5 43 30 17 19 13 13 M12 15 15 1.5x60° 1
HB12B1 97.5 50 55 18 5 64.5 30 33 23 15 20 M14 30 1.5x60° 2
HB12C1 113 50 50 18 5 69.5 38 43.5 22 15 20 M14 18 1.5x60° 2
HB12N1 103 50 52 21 4 62.5 30 40.5 25 17 17 M16 30 1.5x60° 2
HB15A1 149 62 86 22 8 63 43 34 32 21 20 M20 40 40 1.5x60° 1
HB15B1 141.75 70 77.5 22 8 87.75 43 54 32 21 30 M20 50 1.5x60° 2
HB15N1 149 62 86 25.5 5 69 43 27 32 21 20 M20 43 38 1.5x60° 1
HB18B2 159.5 80 90 25 9 104.5 50 55 32 21 40 M20 55 3.0x60° 2
HB24B2 183.5 90 105 25 9 116.5 60 67 32 21 50 M20 76 3.0x60° 2
HB06U1 69.5 35 48 14 5 34 19 18 19 13 12 M12 12 20 1.5x60° 1
HB08U1 79.25 40 42 16 5 35.25 21 44 19 13 14 M12 12 1.5x60° 2
HB12U1 107.25 45 50 18 5 56.75 30 50.5 22 15 20 M14 25 1.5x60° 2
HB16U2 138.5 60 71 22 9 76.5 43 62 32 21 26 M20 35 3.0x60° 2
HB20U2 203 65 80 25 9 153 50 50 32 21 32 M20 55 3.0x60° 2
HB31U2 250 75 80 25 9 200 60 50 32 21 28 M20 60 3.0x60° 2

DIMENSIONAL DRAWINGS


Figure 1


Figure 2


Figure 3

 

 



About Us

Contact Us

Site Map

Location

 

Worldwide Chuck Services, Inc.

1430 Danner Drive
 Aurora,  OH  44202
Phone: (330) 562-4509
Fax: (330) 562-2022

 questions@WorldwideChuck.com

 

Improving the World's Grip on Parts

Search our site for:

     

 
Don't forget about our warranty ... the best in the business!