|
QB300 SERIES Quick Jaw-Change Chucks
Three-jaw wedge style power chucks slash downtime and maximize productivity through unique quick change locking mechanism. Jaws can be changed in as little as 30 seconds while delivering consistent 0.0008" accuracy! QB300 Series Quick Jaw-Change Chucks do not require long stroke cylinders and are fully interchangeable with most power chucks.
Special Features
- Large Thru-Hole
- 30 Second Jaw-Change
- High Accuracy and High Endurance
- Compact and Lightweight
- Direct Replacement for Most Power Chucks
- Long Stroke Cylinder NOT Required
- High Speed
- Expensive Base Jaws NOT Required
Model QB300 Series Chucks are manufactured from high grade alloy steel. All sliding surfaces are hardened and ground to assure consistent accuracy and performance.
Lubrication nipple in each base jaw.
Mounting: Direct mounting to fit ASA B5.9 type A (interchangeable with DIN 55026).
Standard Equipment: Chuck assembled with adapter, chuck mounting bolts, soft top jaws, wrench, draw nut wrench.
SPECIFICATIONS
| MODEL |
UNIT |
QB306 |
QB308 |
QB310 |
QB312 |
QB315 |
| Jaw Stroke (Diameter) |
in. |
0.217 |
0.291 |
0.346 |
0.417 |
0.417 |
| Plunger Stroke |
in. |
0.472 |
0.630 |
0.748 |
0.906 |
0.906 |
| Max. Draw Bar Pull Force |
kN (kgf) |
22 (2243) |
34 (3467) |
43 (4385) |
55 (5608) |
71 (7240) |
| Max. Gripping Force |
kN (kgf) |
57 (5812) |
84 (8565) |
111 (11319) |
144 (14684) |
180 (18355) |
| Gripping Force at Max. Speed |
lbs. |
4267 |
6289 |
8311 |
11013 |
13460 |
| Max. Speed |
rpm |
5500 |
4500 |
4000 |
3000 |
2300 |
| Net Weight |
lbs. |
28 |
51 |
77 |
123 |
264 |
| GD 2 |
kg.m 2 |
.058 |
.173 |
.318 |
.745 |
2.273 |
| Matching Cylinder |
|
S1246 |
S1552 |
S1875 |
S2091 |
F2511H |
| Min. Gripping O.D. |
in. |
0.394 |
0.591 |
0.866 |
0.866 |
2.165 |
| Max. Gripping O.D. |
in. |
5.512 |
7.087 |
8.268 |
9.843 |
13.000 |
| Jaw Change Time (3 Jaws) |
sec. |
30 |
30 |
30 |
30 |
30 |
QUICK JAW-CHANGE CHUCK DIMENSIONS (Dimensions in Inches)

| MODEL |
QB306A500 |
QB308A600 |
QB310A600 |
QB310A800 |
QB312A600 |
QB312A800 |
| A |
6.654 |
8.268 |
10.000 |
10.000 |
11.969 |
11.969 |
| B |
3.583 |
4.055 |
4.724 |
4.449 |
5.079 |
4.803 |
| C |
3.250 |
4.188 |
4.188 |
5.501 |
4.188 |
5.501 |
| D |
4.125 |
5.250 |
5.250 |
6.750 |
5.250 |
6.750 |
| E |
1.772 |
2.047 |
2.953 |
2.953 |
3.583 |
3.583 |
| F |
6xM10 |
6xM12 |
6xM12 |
6xM16 |
6xM12 |
6xM16 |
| G |
0.630 |
0.709 |
0.728 |
0.945 |
0.728 |
0.984 |
| H max. |
2.303 |
2.835 |
3.465 |
3.465 |
4.185 |
4.185 |
| H min. |
2.195 |
2.689 |
3.291 |
3.291 |
3.976 |
3.976 |
| K max. |
1.024 |
1.240 |
1.319 |
1.043 |
1.299 |
1.024 |
| K min. |
0.551 |
0.610 |
0.571 |
0.295 |
0.394 |
0.118 |
| M |
0.591 |
0.650 |
0.787 |
0.787 |
0.906 |
0.906 |
| N max. |
M55x2.0 |
M60x2.0 |
M85x2.0 |
M85x2.0 |
M100x2.0 |
M100x2.0 |
| O |
2.362 |
2.598 |
3.701 |
3.701 |
4.252 |
4.252 |
| P |
0.787 |
1.181 |
1.772 |
1.772 |
1.969 |
1.969 |
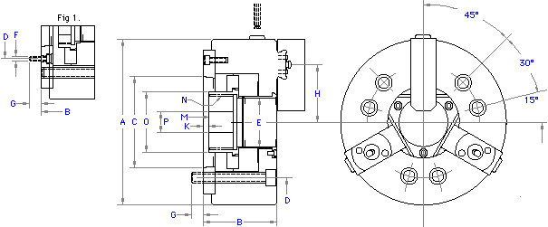
QB310A06 and QB312A06 are referred to in Fig. 1.
Draw nut is supplied without thread.
SOFT TOP JAW DIMENSIONS (Dimensions in Inches)
| MODEL |
6" |
6" |
8" |
8" |
10" |
10" |
12" |
12" |
|
SB06BB |
SB06BB-040 |
SB08BB |
SB08BB-056 |
SB10BB |
SB10BB-060 |
SB12BB |
SB12BB-070 |
| A |
3.543 |
3.543 |
4.173 |
4.173 |
4.921 |
4.921 |
5.472 |
5.472 |
| B |
2.126 |
2.126 |
2.520 |
2.520 |
2.992 |
2.992 |
3.543 |
3.543 |
| C |
1.417 |
1.417 |
1.654 |
1.654 |
1.929 |
1.929 |
1.929 |
1.929 |
| D |
1.260 |
1.260 |
1.457 |
1.457 |
1.654 |
1.654 |
1.969 |
1.969 |
| E |
1.181 |
1.575 |
1.496 |
2.205 |
1.654 |
2.362 |
1.969 |
2.756 |
| F |
0.945 |
0.945 |
1.102 |
1.102 |
1.220 |
1.220 |
1.339 |
1.339 |
| G |
2.677 |
2.677 |
2.992 |
2.992 |
3.465 |
3.465 |
3.622 |
3.622 |
| Min. Gripping OD |
0.394 |
0.394 |
0.591 |
0.591 |
0.866 |
0.866 |
1.181 |
1.181 |
QB300 SERIES Quick Jaw-Change Chucks
Gripping Characteristic Graph

|