|
HW SERIES Four-Jaw Lever Type Power Operated Chuck with Closed Center
| |
Two pairs of two jaws self center independent of each other. The HW Series is suitable for square bar and other unusually shaped workpieces. |
Special Features
- Long Stroke
- HW-08 Can Be Operated by Exclusive Cylinder HYW-1220
- 2+2 Jaws Self Centering
- HW-10, 12 and 15 Can Be Operated by Exclusive Cylinder HYW-1225.
Model HW Series Chucks are manufactured from high grade alloy steel. All sliding surfaces are hardened and ground to assure consistent accuracy and performance.
Lubrication nipple in each base jaw.
Master Jaw Serration: Chuck size 6" to 10": 1.5mm x 60°
Mounting: Direct mounting to fit ASA B5.9 type A (interchangeable with DIN 55026).
Standard Equipment: Chuck assembled with adapter, chuck mounting bolts, soft top jaws, T-nuts and jaw mounting bolts with wrench, draw nut wrench.
SPECIFICATIONS
| MODEL |
UNIT |
HW-08 |
HW-10 |
HW-12 |
HW-15 |
| Jaw Stroke (Diameter) |
in. |
0.520 |
0.630 |
0.630 |
0.669 |
| Plunger Stroke |
in. |
0.669 |
0.866 |
0.866 |
0.984 |
| Max. Draw Bar Pull |
kN (kgf) |
16.5 (1683) |
23 (2345) |
23 (2345) |
28 (2855) |
| Max. Gripping Force |
kN (kgf) |
56 (5710) |
84 (8565) |
84 (8565) |
108 (11013) |
| Max. Speed |
rpm |
3000 |
2000 |
1500 |
1200 |
| Net Weight (1) |
lbs. |
51 |
110 |
128 |
260 |
| GD 2 |
kg.m 2 |
.153 |
.500 |
.700 |
2.250 |
| Matching Cylinder |
|
YW1220 |
YW1225 |
YW1225 |
YW1225 |
| Matching Hard Top Jaw |
|
|
|
|
|
| Matching Soft Top Jaw |
|
SB08B1Q |
SB10A2Q |
SB10A2Q |
SB15A2Q |
(1) With top jaws.
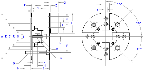
DIMENSIONS (Dimensions in Inches)

| MODEL |
HW-08 |
HW-10 |
HW-12 |
HW-15 |
MODEL |
HW-08 |
HW-10 |
HW-12 |
HW-15 |
| A |
8.268 |
10.630 |
11.969 |
15.000 |
N min. |
1.768 |
2.205 |
2.205 |
2.736 |
| B |
3.583 |
4.331 |
4.331 |
5.315 |
O max. |
0.955 |
1.103 |
1.931 |
2.618 |
| C (H6) |
6.693 |
4.724 |
4.724 |
7.677 |
O min. |
0.364 |
0.512 |
0.512 |
0.610 |
| D |
0.197 |
0.217 |
0.217 |
0.295 |
P |
0.689 |
0.787 |
0.787 |
0.728 |
| E |
|
7.874 |
8.661 |
11.220 |
Q |
0.669 |
0.787 |
0.787 |
0.945 |
| F |
5.252 |
6.693 |
6.693 |
9.252 |
R |
3.228 |
4.055 |
4.055 |
5.118 |
| G |
M12 |
M16 |
M16 |
M20 |
S |
1.811 |
2.283 |
2.283 |
3.071 |
| H |
0.787 |
0.945 |
0.945 |
1.181 |
T |
1.339 |
1.654 |
1.654 |
2.165 |
| J |
1.220 |
1.575 |
1.575 |
1.968 |
U |
3.543 |
4.331 |
4.331 |
5.079 |
| K |
1.142 |
1.220 |
1.220 |
2.165 |
V |
M14x2 |
M16x2 |
M16x2 |
M20x2.5 |
| L max. |
0.413 |
0.709 |
0.709 |
1.024 |
W |
M35x1.5 |
M42x1.5 |
M42x1.5 |
M55x2.0 |
| L min. |
-0.256 |
-0.157 |
-0.157 |
-0.039 |
X |
1.535 |
1.772 |
1.772 |
2.087 |
| M max. |
1.555 |
1.929 |
1.929 |
2.343 |
Y |
0.787 |
1.181 |
1.181 |
1.496 |
| M min. |
0.886 |
1.063 |
1.063 |
1.358 |
Z |
0.079 |
0.197 |
0.197 |
0.197 |
| N max. |
2.020 |
2.520 |
2.520 |
3.871 |
a |
0.472 |
0.630 |
0.630 |
0.630 |
|