N SERIES Closed Center Power Chucks
| |
Three-jaw wedge style power chuck with closed center. Cost effective solutions for high speed chucking and universal machining where no thru-hole is required. These deliver consistent accuracy and repetitive chucking. |
Special Features
- High Speed
- Strong Clamping Force
- Interchangeable Top Tooling
- Compact and Lightweight
- Direct Mount
- High Accuracy and High Endurance
Model N Series Chucks are manufactured from high grade alloy steel. All sliding surfaces are hardened and ground to assure consistent accuracy and performance.
Lubrication nipple in each base jaw.
Master Jaw Serration: Chuck size 6" to 18": 1.5mm x 60°, Chuck size 21" & 24": 3mm x 60°
Mounting: Direct mounting to fit ASA B5.9 type A (interchangeable with DIN 55026).
Standard Equipment: Chuck assembled with adapter, chuck mounting bolts, soft top jaws, T-nuts and jaw mounting bolts with wrench, draw nut wrench.
SPECIFICATIONS
| MODEL |
UNIT |
N-06A05 |
N-08A06 |
N-10A06 |
N-10A08 |
N-12A06 |
N-12A08 |
N-15A08 |
N-15A11 |
| Spindle Nose |
|
A2-5 |
A2-6 |
A2-6 |
A2-8 |
A2-6 |
A2-8 |
A2-8 |
A2-11 |
| Jaw Stroke (Diameter) |
in. |
0.335 |
0.346 |
0.346 |
0.346 |
0.413 |
0.413 |
0.630 |
0.630 |
| Plunger Stroke |
in. |
0.787 |
0.827 |
0.984 |
0.984 |
1.181 |
1.181 |
1.378 |
1.378 |
| Max. Draw Bar Pull Force |
kN (kgf) |
18 (1835) |
25 (2549) |
29 (2957) |
29 (2957) |
41 (4181) |
41 (4181) |
82 (8362) |
82 (8362) |
| Max. Gripping Force |
kN (kgf). |
52.5 (5353) |
75 (7648) |
108 (11013) |
108 (11013) |
156 (15907) |
156 (15907) |
249 (25391) |
249 (25391) |
| Max. Speed |
rpm |
5000 |
4000 |
3500 |
3500 |
3000 |
3000 |
2800 |
2800 |
| Net Weight (1) |
lbs. |
30.8 |
59.4 |
88.0 |
88.0 |
147.4 |
145.2 |
231.0 |
226.6 |
| GD 2 |
N.m 2 |
.050 |
.148 |
.335 |
.328 |
.760 |
.753 |
1.95 |
1.875 |
| Matching Cylinder |
|
Y1020R |
Y1225R |
Y1225R |
Y1225R |
Y1530R |
Y1530R |
Y2035R |
Y2035R |
| Matching Hard Top Jaw |
|
HB06B1 |
HB08A1 |
HB10A1 |
HB10A1 |
HB12B1 |
HB12B1 |
HB15N1 |
HB15N1 |
| Matching Soft Top Jaw |
|
SB06B1 |
SB08B1 |
SB10B1 |
SB10B1 |
SB12A1 |
SB12A1 |
SB15N1 |
SB15N1 |
(1) With soft top jaw.
| MODEL |
UNIT |
N-18A08 |
N-18A11 |
N-21A08 |
N-21A11 |
N-21A15 |
N-24A11 |
N-24A15 |
| Spindle Nose |
|
A2-8 |
A2-11 |
A2-8 |
A2-11 |
A2-15 |
A2-11 |
A2-15 |
| Jaw Stroke (Diameter) |
in. |
0.630 |
0.630 |
0.630 |
0.630 |
0.630 |
0.630 |
0.630 |
| Plunger Stroke |
in. |
1.378 |
1.378 |
1.378 |
1.378 |
1.378 |
1.378 |
1.378 |
| Max. Draw Bar Pull Force |
kN (kgf) |
82 (8362) |
82 (8362) |
82 (8362) |
82 (8362) |
82 (8362) |
82 (8362) |
82 (8362) |
| Max. Gripping Force |
kN (kgf) |
249 (25391) |
249 (25391) |
273 (27838) |
273 (27838) |
273 (27838) |
273 (27838) |
273 (27838) |
| Max. Speed |
rpm |
2400 |
2400 |
1800 |
1800 |
1800 |
1600 |
1600 |
| Net Weight (1) |
lbs. |
294.8 |
288.2 |
442.2 |
435.6 |
418.0 |
530.2 |
514.8 |
| GD 2 |
N.m 2 |
2.475 |
2.425 |
5.175 |
5.125 |
4.975 |
7.375 |
7.050 |
| Matching Cylinder |
|
Y2035R |
Y2035R |
Y2035R |
Y2035R |
Y2035R |
Y2035R |
Y2035R |
| Matching Hard Top Jaw |
|
HB15N1 |
HB15N1 |
HB18B2 |
HB18B2 |
HB18B2 |
HB18B2 |
HB18B2 |
| Matching Soft Top Jaw |
|
SB15N1 |
SB15N1 |
SB18A2 |
SB18A2 |
SB18A2 |
SB18A2 |
SB18A2 |
(1) With soft top jaw.
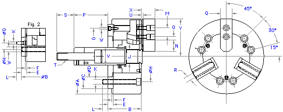
DIMENSIONS (Dimensions in Inches)

| MODEL |
N-06A05 |
N-08A06 |
N-10A06 |
N-10A08 |
N-12A06 |
N-12A08 |
N-15A08 |
N-15A11 |
N-18A08 |
N-18A11 |
N-21A08 |
N-21A11 |
N-21A15 |
N-24A11 |
N-24A15 |
| A |
6.496 |
8.268 |
10.000 |
10.000 |
11.969 |
11.969 |
15.000 |
15.000 |
17.717 |
17.717 |
20.866 |
20.866 |
20.866 |
24.016 |
24.016 |
| B |
3.307 |
3.819 |
4.094 |
4.016 |
4.724 |
4.646 |
5.118 |
5.118 |
5.118 |
5.118 |
5.748 |
5.748 |
5.748 |
5.748 |
5.748 |
| C (H6) |
5.512 |
6.693 |
8.661 |
8.661 |
8.661 |
8.661 |
11.811 |
11.811 |
11.811 |
11.811 |
14.961 |
14.961 |
14.961 |
14.961 |
14.961 |
| D |
3.251 |
4.188 |
4.188 |
5.501 |
4.188 |
5.501 |
5.501 |
7.751 |
5.501 |
7.751 |
5.501 |
7.751 |
11.251 |
7.751 |
11.251 |
| E |
0.591 |
0.669 |
0.787 |
0.709 |
0.787 |
0.709 |
0.866 |
0.866 |
0.866 |
0.866 |
1.063 |
1.063 |
1.063 |
1.063 |
1.063 |
| F |
0.197 |
0.197 |
0.197 |
0.197 |
0.236 |
0.236 |
0.236 |
0.236 |
0.236 |
0.236 |
0.236 |
0.236 |
0.236 |
0.236 |
0.236 |
| G |
4.567 |
5.906 |
6.748 |
7.480 |
6.748 |
7.480 |
9.252 |
10.236 |
9.252 |
10.236 |
13.000 |
13.000 |
13.000 |
13.000 |
13.000 |
| H |
4.126 |
5.252 |
5.252 |
6.748 |
5.252 |
6.748 |
6.748 |
9.252 |
6.748 |
9.252 |
6.748 |
9.252 |
13.000 |
9.252 |
13.000 |
| J |
0.827 |
0.984 |
1.339 |
1.339 |
1.339 |
1.339 |
|
|
|
|
|
|
|
|
|
| K |
6-M10 |
6-M12 |
6-M12 |
6-M16 |
6-M12 |
6-M16 |
6-M16 |
6-M20 |
6-M16 |
6-M20 |
6-M16 |
6-M20 |
6-M22 |
6-M20 |
6-M22 |
| L |
0.551 |
0.709 |
0.709 |
0.984 |
0.709 |
0.984 |
0.906 |
1.299 |
0.906 |
1.299 |
0.906 |
1.102 |
1.339 |
1.102 |
1.339 |
| M |
0.787 |
0.984 |
1.181 |
1.181 |
1.181 |
1.181 |
1.693 |
1.693 |
1.693 |
1.693 |
2.362 |
2.362 |
2.362 |
2.362 |
2.362 |
| N max. |
1.488 |
1.823 |
2.012 |
2.012 |
2.402 |
2.402 |
3.051 |
3.051 |
4.252 |
4.252 |
3.386 |
3.386 |
3.386 |
4.921 |
4.921 |
| N min. |
1.319 |
1.650 |
1.839 |
1.839 |
2.195 |
2.195 |
2.736 |
2.736 |
3.937 |
3.937 |
3.071 |
3.071 |
3.071 |
4.606 |
4.606 |
| O max. |
0.148 |
0.877 |
1.212 |
1.212 |
1.921 |
1.921 |
1.921 |
1.921 |
1.921 |
1.921 |
3.684 |
3.684 |
3.684 |
3.684 |
3.684 |
| O min. |
0.305 |
0.463 |
0.443 |
0.443 |
0.502 |
0.502 |
0.916 |
0.916 |
0.916 |
0.916 |
1.084 |
1.084 |
1.084 |
1.084 |
1.084 |
| P max. |
3.406 |
4.331 |
4.488 |
5.512 |
4.685 |
5.709 |
3.228 |
3.228 |
2.756 |
2.756 |
2.756 |
2.756 |
2.756 |
2.756 |
2.756 |
| P min. |
2.618 |
3.504 |
3.504 |
4.528 |
3.504 |
4.528 |
1.850 |
1.850 |
1.378 |
1.378 |
1.378 |
1.378 |
1.378 |
1.378 |
1.378 |
| Q |
1.220 |
1.378 |
1.575 |
1.575 |
1.969 |
1.969 |
1.969 |
1.969 |
1.969 |
1.969 |
2.559 |
2.559 |
2.559 |
2.559 |
2.559 |
| R |
0.472 |
0.551 |
0.630 |
0.630 |
0.709 |
0.709 |
1.004 |
1.004 |
1.004 |
1.004 |
0.984 |
0.984 |
0.984 |
0.984 |
0.984 |
| S |
1.417 |
1.417 |
1.417 |
1.417 |
1.417 |
1.417 |
2.165 |
2.165 |
2.165 |
2.165 |
2.165 |
2.165 |
2.165 |
2.165 |
2.165 |
| T |
M16x2.0 |
M20x2.5 |
M20x2.5 |
M20x2.5 |
M20x2.5 |
M20x2.5 |
M30x3.5 |
M30x3.5 |
M30x3.5 |
M30x3.5 |
M30x3.5 |
M30x3.5 |
M30x3.5 |
M30x3.5 |
M30x3.5 |
| U |
0.157 |
0.197 |
0.197 |
0.197 |
0.197 |
0.197 |
0.079 |
0.079 |
0.079 |
0.079 |
0.118 |
0.118 |
0.118 |
0.118 |
0.118 |
| V |
1.339 |
1.496 |
1.772 |
1.772 |
1.969 |
1.969 |
2.362 |
2.362 |
2.362 |
2.362 |
2.362 |
2.362 |
2.362 |
2.362 |
2.362 |
| W |
3-M6 |
3-M6 |
6-M16 |
3-M8 |
6-M16 |
3-M8 |
6-M20 |
3-M10 |
6-M20 |
3-M10 |
6-M22 |
6-M22 |
3-M12 |
6-M22 |
6-M12 |
| X |
1.378 |
1.654 |
1.811 |
1.811 |
2.126 |
2.126 |
2.402 |
2.402 |
2.402 |
2.402 |
2.795 |
2.795 |
2.795 |
2.795 |
2.795 |
| Y |
2.835 |
3.740 |
4.331 |
4.331 |
5.079 |
5.079 |
5.315 |
5.315 |
5.315 |
5.315 |
7.087 |
7.087 |
7.087 |
7.087 |
7.087 |
Gripping Characteristic Graphs

|