|
PUB200 SERIES
Thru-Hole High Precision Pull Back Chucks
Now with thru-hole!! Three-jaw pull lock style power chucks are ideal for finish machining applications. The radial and pull-back features allow high gripping forces, component length control as well as high repeatability of 0.0004". OD and ID grip versions are standard.
Special Features
- High Accuracy for Finish Machining
- Length Control for Efficient Operation
- Pull Back Feature Is Ideal for Second Operations requiring Highest Precision.
- Thru-Hole model.
- Maintains More Gripping Forces at High RPMs Compared to Conventional Chucks
- Optional Component Seating Confirmation
- Optional Air and/or Coolant Blast
Model PUB200 Series Chucks are manufactured from high grade alloy steel. All sliding surfaces are hardened and ground to assure consistent accuracy and performance.
Lubrication nipple in chuck body. Body is sealed to ensure long life and extended lubrication frequency.
Mounting: Direct mounting to fit ASA B5.9 type A (interchangeable with DIN 55026).
Standard Equipment: Chuck assembled with adapter, chuck mounting bolts, soft top jaws and jaw mounting bolts with wrench, draw nut wrench.
SPECIFICATIONS
| MODEL |
UNIT |
PUB-206 |
PUB-208 |
PUB-210 |
| Thru Hole ** |
mm |
39 |
66 |
72 |
| Plunger Stroke |
mm |
10 |
10 |
10 |
| Jaw Stroke (Diameter) |
mm |
5 |
5 |
5 |
| Max. Draw Bar Pull Force |
kgf |
1835 |
2549 |
3569 |
| Max.Gripping Force |
kgf |
5914 |
8158 |
10197 |
| Max. Speed |
rpm |
7000 |
6000 |
4500 |
| Net Weight(1) |
kg |
14.4 |
25.3 |
43.5 |
| GD2 |
N.m 2 |
2.1 |
7.7 |
19.9 |
| Matching Cylinder |
Y1020R |
Y1225R |
Y1225R |
| Matching Soft Jaw |
SB-PUB206 |
SB-PUB208 |
SB-PUB210 |
| Gripping Range |
OD |
ømm |
25-100 |
25-130 |
35-160 |
** Thru Hole diameter into chuck body for prescribed depth. Drawtube thru hole has smaller diameter.
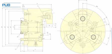
PUB200 SERIES DIMENSIONS (metric)

| MODEL |
PUB-206 |
PUB-208 |
PUB-210 |
| A |
165 |
210 |
254 |
| B |
123.5 |
143 |
158 |
| C |
155 |
180 |
230 |
| D |
80.5 |
93 |
103 |
| E |
65 |
70 |
82 |
| F (G7) |
140 |
170 |
220 |
| G |
104.8 |
133.4 |
171.4 |
| H |
3-M10 |
3-M12 |
3-M16 |
| K max. |
16.25 |
16.25 |
21.25 |
| K min. |
13.75 |
13.75 |
18.75 |
| L max. |
20 |
20 |
24 |
| L min. |
10 |
10 |
14 |
| M |
27 |
31 |
35 |
| N |
30 |
35 |
40 |
| O |
3-M10 |
3-M12 |
3-M16 |
| P |
58 |
79 |
102 |
| Q |
M33x1.5 |
M45x2.0 |
M65x2.0 |
| R |
30 |
29.5 |
35.5 |
| S |
39 |
50 |
72 |
| T (H6) |
54 |
66 |
90 |
| U |
3-M5 |
3-M6 |
3-M8 |
| V |
68 |
80 |
104 |
|