|
UVE (-K, -LB) SERIES Three-Jaw Air-Operated Self-Contained Chucks |
| |
Built-in check valve in the chuck body will prevent loosening of the workpiece due to sudden electric power failure. Pneumatic cylinder is built in the chuck body - it is not necessary to attach a cylinder at the end-position of the spindle. Therefore, draw-tube and draw-bar are not necessary and a workpiece can be chucked of the same diameter as the bore of the spindle. High speed is possible when a special air supply mechanism is used. |
SPECIFICATIONS
| MODEL |
UNIT |
UVE160K |
UVE200K |
UVE250K |
UVE315K |
UVE400K |
UVE500LB |
UVE630LB |
UVE670LB |
UVE800LB |
| Open Center (Diameter) |
in. |
1.496 |
1.969 |
2.362 |
3.622 |
4.724 |
9.055 |
12.01 |
13.976 |
16.142 |
| Jaw Stroke (Diameter) |
in. |
0.331 |
0.331 |
0.386 |
0.386 |
0.551 |
0.669 |
0.669 |
0.669 |
0.827 |
| Plunger Stroke |
in. |
0.945 |
0.945 |
1.102 |
1.102 |
1.575 |
1.260 |
1.260 |
1.260 |
1.417 |
| Max. Gripping Force at Air Pressure 87 psi |
lbs. f |
10094 |
12113 |
20189 |
24900 |
47109 |
24900 |
38375 |
32305 |
58524 |
| Max. Speed (1) |
rpm |
3600 (3500) |
3200 (2800) |
3000 (2200) |
2500 (1800) |
1800 (1200) |
1200 |
1000 |
1000 |
800 |
| Net Weight (2) |
lbs. |
65 |
85 |
135 |
178 |
319 |
594 |
990 |
946 |
1716 |
| GD2 |
lbs.* ft.2 |
21.2 |
29.2 |
61.5 |
107.8 |
396.2 |
811.7 |
2685 |
3157 |
7876 |
| Air-Consumption (3) |
l |
2.4 |
3.0 |
4.4 |
6.3 |
10.9 |
9.4 |
16.8 |
16.8 |
28.4 |
| Serration Pitch |
mm |
1.5 |
1.5 |
1.5 |
1.5 |
3.0 |
3.0 |
3.0 |
3.0 |
3.0 |
| Matching Soft Top Jaw |
|
SB06C1 |
SB10B1 |
SB10B1 |
SB12C1 |
SB15A2 |
SB18A2 |
SB18A2 |
SB18A2 |
SB24A2 |
(1) In case the air supply ring is not fixed.
(2) With soft top jaw.
(3) Per 10mm (air pressure 6kg/cm2).
UVE-AR (Long Stroke) SPECIFICATIONS
| MODEL |
UNIT |
UVE500AR |
UVE550AR |
UVE630AR |
UVE645AR |
UVE750AR |
| Open Center (Diameter) |
in. |
7.677 |
7.677 |
10.433 |
10.827 |
13.779 |
| Jaw Stroke (Diameter) |
in. |
0.590/0.511 |
1.299/0.669 |
1.299/0.669 |
1.299/0.669 |
1.299/0.669 |
| Plunger Stroke |
in. |
1.338 |
2.027 |
2.027 |
2.027 |
2.027 |
| Max. Gripping Diameter |
in. |
19.68 |
21.65 |
24.80 |
25.39 |
29.52 |
| Min. Gripping Diameter |
in. |
5.51 |
5.51 |
9.055 |
9.055 |
9.45 |
| Max. Gripping Force at Air Pressure 87 psi |
lbs. f |
30285 |
25575 |
25575 |
28756 |
33651 |
| Max. Speed (1) |
rpm |
1300 |
1000 |
750 |
700 |
630 |
| GD2 |
lbs.* ft.2 |
1582 |
3100 |
5273 |
5273 |
8349 |
| Air-Consumption (2) |
l |
11.96 |
18.29 |
16.74 |
16.74 |
21.00 |
(1) In case the air supply ring is not fixed.
(2) Per 10mm (air pressure 6kg/cm2).
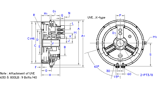
UVE-K TYPE DIMENSIONS (Dimensions in Inches)

| MODEL |
UVE160K |
UVE200K |
UVE250K |
UVE315K |
UVE400K |
| A |
9.843 |
11.024 |
12.992 |
15.157 |
19.488 |
| B |
6.693 |
7.874 |
9.843 |
12.402 |
15.748 |
| C |
9.055 |
10.236 |
12.205 |
14.370 |
18.701 |
| D |
7.087 |
8.268 |
10.236 |
12.402 |
13.386 |
| E (H7) |
6.299 |
7.283 |
9.252 |
11.417 |
11.811 |
| F |
0.256 |
0.315 |
0.315 |
0.315 |
0.315 |
| G |
3.228 |
3.248 |
3.445 |
3.563 |
4.646 |
| H |
5.394 |
5.551 |
5.945 |
6.102 |
7.874 |
| J max. |
1.319 |
1.693 |
1.870 |
2.520 |
3.386 |
| J min. |
1.154 |
1.528 |
1.677 |
2.327 |
3.110 |
| K max. |
2.067 |
2.480 |
3.346 |
4.409 |
5.157 |
| K min. |
1.772 |
2.126 |
2.283 |
3.228 |
4.094 |
| L |
0.984 |
1.181 |
1.181 |
1.490 |
2.362 |
| M |
3.012 |
4.331 |
4.331 |
5.079 |
6.142 |
| N |
1.496 |
1.693 |
1.693 |
2.008 |
2.795 |
| P |
1.575 |
1.575 |
1.575 |
1.772 |
2.362 |
| Q |
0.079 |
0.079 |
0.079 |
0.079 |
0.118 |
| R |
6-M10 |
6-M10 |
6-M10 |
6-M10 |
6-M16 |
| S |
5.236 |
5.906 |
6.890 |
8.110 |
10.039 |
| U |
0.945 |
0.945 |
1.102 |
1.102 |
1.575 |
| V |
1.496 |
1.969 |
2.362 |
3.622 |
4.724 |
| A1 |
10.748 |
11.890 |
13.780 |
16.142 |
20.394 |
| C1 (H6) |
9.449 |
10.827 |
12.600 |
14.961 |
19.094 |
| D1 |
10.236 |
11.339 |
13.228 |
15.551 |
19.882 |
| G1 |
0.197 |
0.197 |
0.197 |
0.276 |
0.276 |
| H1 |
2.795 |
2.717 |
2.913 |
3.031 |
4.094 |
| M1 |
M10 |
M10 |
M10 |
M12 |
M16 |
| Weight (lbs.) |
64 |
83 |
132 |
176 |
317 |
| T |
8.071 |
9.055 |
11.024 |
13.189 |
17.323 |
UVE-LB TYPE DIMENSIONS (Dimensions in Inches)

| MODEL |
UVE500LB |
UVE630LB |
UVE670LB |
UVE800LB |
| A |
24.409 |
29.724 |
31.102 |
37.008 |
| B |
20.472 |
25.591 |
26.378 |
32.283 |
| C (H7) |
14.164 |
20.079 |
20.472 |
23.425 |
| D |
8.268 |
8.858 |
9.055 |
10.079 |
| E |
23.543 |
28.819 |
30.315 |
36.181 |
| F (H7) |
22.835 |
28.150 |
29.331 |
35.433 |
| G |
22.441 |
27.756 |
28.661 |
35.039 |
| H |
19.094 |
24.016 |
24.016 |
30.709 |
| J |
0.945 |
0.945 |
0.945 |
1.181 |
| K±0.1 |
13.583 |
1.476 |
1.516 |
1.594 |
| L |
1.142 |
1.142 |
1.535 |
1.378 |
| M |
6-M16 |
9-M16 |
9-M16 |
9-M20 |
| N |
0.433 |
0.433 |
0.433 |
0.433 |
| P |
9.055 |
12.008 |
13.976 |
16.142 |
| Q max. |
5.768 |
7.323 |
8.366 |
9.449 |
| Q min. |
5.433 |
6.988 |
8.031 |
9.035 |
| R |
3.150 |
3.150 |
3.150 |
3.543 |
| S |
2.362 |
2.362 |
2.362 |
3.150 |
| T |
7.087 |
7.087 |
7.087 |
8.268 |
| U |
2.795 |
2.795 |
2.795 |
3.642 |
| V max. |
7.421 |
10.039 |
10.039 |
12.717 |
| V min. |
6.476 |
8.150 |
8.150 |
10.236 |
| W1 |
2.559 |
2.559 |
2.559 |
2.953 |
| X |
4.370 |
5.866 |
6.988 |
7.874 |
| Y |
1.772 |
1.772 |
1.969 |
1.969 |
| Z |
PT 1/2 |
PT 1/2 |
PT 1/2 |
PT 3/4 |
| A1 |
2.543 |
2.642 |
2.654 |
2.728 |
| B1 |
0.394 |
0.394 |
0.394 |
0.394 |
| C1 |
30° |
20° |
20° |
20° |
| d1 |
0.669 |
0.669 |
0.669 |
0.669 |
| d2 |
0.433 |
0.433 |
0.433 |
0.433 |
| Weight (lbs.) |
594 |
990 |
946 |
1716 |
Note: Mounting of UVE 630, 670 & 800LB uses 9 Bolts
UVE (-K, -LB) SERIES Three-Jaw Air-Operated Self-Contained Chuck
Gripping Characteristic Graphs

(When standard jaw is used at air pressure of 6kg/cm2) |
|